0
联系电话:4001-158-698EN

公司新闻 行业动态 产品知识

CX90BW-16P Series丨防水、USB Type-C 插座(板上式)

CX90BW-16P Series丨防水、USB Type-C 插座(板上式)

特点


1. 防水USB Type-C 插座

 (支持IPX4 *1 防水规格)- 垫圈一体构造

2. 支持6A可以急速充电

3. 小型化有助于省空间设计

4. 480Mbps / USB2.0

5. 通过2点THR *2 固定,提高基板剥离强度


*1 IPX4防水 (单体) 测试条件 : 10分钟的水花

*2 THR (Through-Hole-Reflow) : PIP(Pin-in-Paste)实装;

即将穿孔器件通过表面贴装(SMT)过程进行焊接的手法,能有效提高整体焊接工艺的效率。


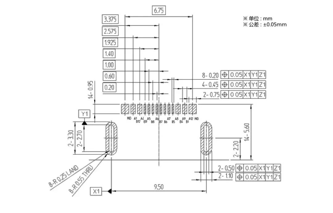
尺寸

提高剥离强度

引脚分布(嵌合部位)

引脚分布(安装部位)

推荐焊盘图案

规格

如果应用需要高度可靠性,例如汽车,请联系公司代表以获取更多信息。

3736
NG大舞台在线客服
NG大舞台在线客服

Maggie

微信咨询

黎小姐